规格及参数
主要特点
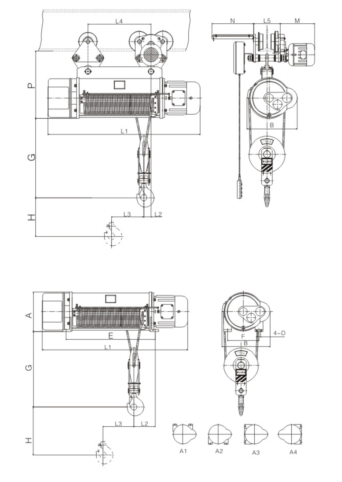
外型图

CD1型壁,MD1型钢丝绳电动葫芦是一种轻小型起重设备,它可以安装在葫芦单梁.桥式起重机、门式起重机、悬臂起重机上。稍加改动,还可怍卷扬用。因此,它是工厂、矿山、港口、仓库、货场、商店等常用的起重设备之一,是提高劳动效率,改善劳动条件的必备机械。
CD1型电动葫芦的起升速度为常速,可以满足一般使用要求;MD1型电动葫芦具有两种起升速度——常速和慢速。慢速工作时,可以满足精密装卸,砂箱合模,机床检修等精细作业的要求。所以,MD1型电动葫芦的适用范围比CD1型电动葫芦更为广泛.

